网站首页
关于我们
产品中心
限速器
缓冲器
张紧装置
导靴
安全钳
新闻资讯
公司动态
行业新闻
联系我们
限速器
缓冲器
张紧装置
导靴
安全钳
首页
>
产品中心
>
张紧装置
产品分类
Products List
限速器
缓冲器
张紧装置
导靴
安全钳
联系我们
地 址:浙江省宁波市北仑大碶模具路97号
电 话:86-574-86100821
联系人:林先生
手 机:13606842835
邮 箱:LH@NB-YONGXIN.COM
产品展示
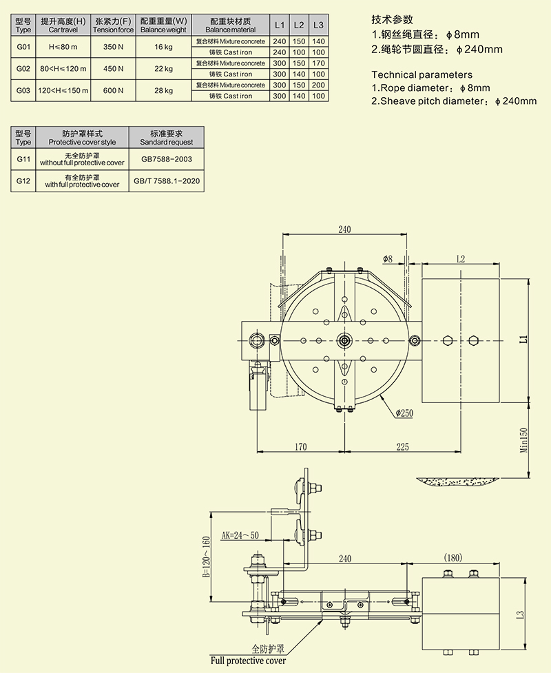
CKB-L张紧装置
联系我们
产品中心
联系人:林先生
手机:13606842835
产品描述
上一篇:没有了
下一篇 : CKB-L张紧装置
更多产品信息>>
Copyright © 2023 宁波市北仑海欣机械有限公司 All Rights Reserved.